Задача ремонта системы питания автомобиля требует точного понимания каждого элемента электрооборудования. Одним из ключевых компонентов при этом является блок, управляемый ключом. Знание его схемы подключения позволяет избежать ошибок и ускоряет процесс восстановления работоспособности.
Наиболее распространенные проблемы возникают из-за коррозии контактов или механического износа. Поэтому важно не только знакомство с принципом работы устройства, но и навык работы с проводами и контактами. Для облегчения задачи можно использовать специальную схему, наглядно иллюстрирующую каждое соединение.
При проведении работ необходимо учитывать цветовую кодировку проводов, так как она варьируется в зависимости от производителя. Этот аспект помогает избежать смешивания контактов и ошибок при подключении. Изучение схемы перед началом ремонта значительно повысит шансы на успешное завершение задачи и предотвратит повторные визиты в сервис.
- Обзор конструкции устройства зажигания
- Необходимые инструменты для работы с распиновкой
- Схема подключения проводов к переключателю зажигания
- Цвета проводов и их назначение
- Проверка работы блока зажигания с мультиметром
- Замена неисправного устройства на ВАЗ 2112
- Советы по устранению распространённых ошибок установки
- Где купить запчасти для устройства зажигания
- Обратная связь: как избежать проблем после работы с электрической схемой
Обзор конструкции устройства зажигания
Устройство зажигания представляет собой ключевой элемент электрической системы автомобиля. Основная задача этого механизма – обеспечивать передачу электрического сигнала к бортовой сети, что позволяет запускать двигатель и обеспечивать его работу.
Внешний вид устройства достаточно прост. Оно имеет цилиндрическую форму с несколькими контактами для подключения проводов. Конструкция включает в себя следующие элементы:
- Ключевое отверстие – для ввода ключа, который служит для активации системы.
- Контактная группа – отвечает за распределение электрического тока к различным системам автомобиля.
- Механизм блокировки – предотвращает возможность запуска без ключа, обеспечивая безопасность.
- Изолятор – защищает контакты от внешних воздействий, снижая риск короткого замыкания.
Каждый из этих компонентов критически важен для правильной работы системы, и их повреждение может привести к сбоям в функционировании. Рекомендации по уходу:
- Регулярная проверка контактов на наличие коррозии.
- Смазывание ключевого отверстия для предотвращения заедания.
- Поддержание чистоты вокруг устройства – это снизит риск загрязнений.
Оптимальная работа механизма зависит от точности соединений и наличия исправного ключа. При возникновении неполадок стоит обратиться к специалисту или самостоятельно изучить неисправности, чтобы своевременно устранить проблемы и вернуть устройство в рабочее состояние.
Необходимые инструменты для работы с распиновкой
| Инструмент | Описание |
|---|---|
| Набор отверток | Необходим для откручивания крепления. Лучше взять набор с различными насадками. |
| Плоскогубцы | Используются для захвата и манипуляций с проводами, что удобно при работе в стеснённых условиях. |
| Тестер | Электронный прибор для проверки целостности цепи и напряжения. Незаменим для диагностики. |
| Изоляционная лента | Применяется для изоляции открытых проводов и соединений, предупреждая короткие замыкания. |
| Кусачки | Необходимы для обрезки проводов, когда требуется модификация или замена. |
| Флешка с мануалами | Полезна для доступа к информации о схеме подключения и рекомендациям по работе. |
Подготовив указанные инструменты, можно смело приступать к работе с соединениями. Это позволит сократить время на выполнение задач и повысить качество проделанной работы.
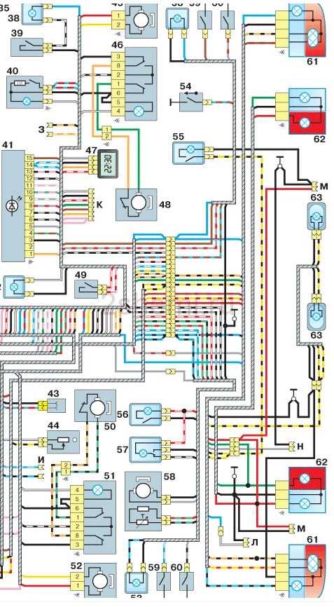
Схема подключения проводов к переключателю зажигания
Переключатель зажигания содержит несколько контактов, к которым подводятся провода разного назначения. Для установки и проверки необходима правильная схема. При подключении учитывайте цвет проводов: это поможет избежать ошибок. Чаще всего используются провода следующих цветов: красный, синий, зеленый и черный.
Красный кабель обычно служит для подачи питания на устройство. Необходимо подключить его на соответствующий контакт переключателя. Синий провод отвечает за подачу сигнала на стартер. Этот провод соединяется с активируемым контактом.
Зеленый провод часто используется для подключения к системе освещения. Он может быть подсоединен к дополнительным агрегатам, если они предусмотрены. Чёрный провод обычно применяется для заземления. Связывайте его с массой кузова, что обеспечит безопасность и корректную работу всей электрической схемы.
Рядом с переключателем могут находиться дополнительные клеммы, предназначенные для подключения аксессуаров, таких как сигнализация или магнитола. Убедитесь, что вы следуете инструкции производителя по подключению этих устройств.
При проверке работоспособности схемы воспользуйтесь тестером, чтобы убедиться в отсутствии коротких замыканий и неверных подключений. Это позволит минимизировать риск повреждений в электрической системе.
Цвета проводов и их назначение

При работе с электрической частью устройства важно знать цветовую кодировку проводов. Это поможет избежать ошибок и упростит диагностику. Ниже представлены основные цвета и их функции.
Красный провод отвечает за подачу питания. Обычно он соединен с аккумулятором и обеспечивает ток для работы системы.
Чёрный провод выполняет функцию заземления. Его подключение необходимо для правильного функционирования устройства и предотвращения коротких замыканий.
Жёлтый провод обычно используется для передачи сигнала и управления различными компонентами. Это может быть связь с датчиками или другими элементами системы.
Зелёный провод часто предназначен для управления электромагнитами, например, для включения или выключения цепей.
Синий провод может выполнять пару функций, включая соединение с реле или управление освещением. Важно знать, какая именно роль отводится этому проводу в конкретной модели.
Коричневый провод в большинстве случаев задействован для соединения с двигателем или инжектором. Это влияет на работу системы впрыска и управление двигателем.
Прежде чем приступать к работе, рекомендуется изучить схемы подключения, чтобы исключить ошибки. Важно не путать провода между собой, что может привести к сбоям в работе оборудования.
Следует соблюдать осторожность при ремонте. Перед разборкой необходимо отключить аккумулятор, чтобы предотвратить случайные замыкания. Также можно использовать мультиметр для проверки целостности проводов и соединений.
Проверка работы блока зажигания с мультиметром
Перед началом диагностики проверьте, что механизм отключен. Убедитесь, что у вас имеется мультиметр, способный измерять напряжение и сопротивление.
Сначала подключите мультиметр к источнику питания устройства. Настройте его на измерение постоянного напряжения. Затем включите питание и измерьте напряжение на выходе соединительных проводов. Обычно ожидаемые значения находятся в пределах 12-14 В. Значительное отклонение может указывать на неисправность цепи.
После этого переключите мультиметр на режим измерения сопротивления. Отсоедините провода от устройства и проверьте их на предмет неисправностей. Обычно сопротивление должно быть в пределах нескольких ом. Если вы наблюдаете открытое или короткое замыкание, необходимо заменить провода или контакты.
Перепроверьте состояние соединений под навесом. Проверьте, нет ли окисления или коррозии на контактах. При наличии загрязнений выполните очистку металлической щеткой или с помощью специальных очистителей.
После проверки проводов, протестируйте переключатели на предмет их работоспособности. На мультиметре выберите режим измерения сопротивления и подайте напряжение на переключатель. При переключении положения вы должны увидеть изменения в показаниях; если этого не происходит, возможна неисправность переключателя.
Завершив тестирование, соберите все соединения и проверьте работоспособность устройства. При необходимости замените вышедшие из строя элементы. Заключительные шаги включают проверки, которые помогут установить корректную работу после всех произведённых тестов.
Замена неисправного устройства на ВАЗ 2112
При возникновении неисправностей в системе, связанной с ключевым устройством, необходимо произвести его замену. Чтобы провести процесс максимально корректно, следуйте представленным рекомендациям.
-
Подготовка: Обеспечьте доступ к инсталлированному устройству. Для этого отключите аккумулятор, чтобы избежать короткого замыкания и случайного срабатывания электрических компонентов.
-
Снятие: Откройте панель, которая закрыл электронное устройство. Обычно она фиксируется несколькими винтами, которые нужно аккуратно удалить. Отсоедините все электрические разъемы, запомнив их расположение для упрощения установки нового элемента.
-
Установка: Поместите новый элемент на место старого. Убедитесь, что все соединения корректны, и зафиксируйте панель на прежнем месте. Не забудьте подключить аккумулятор после завершения установки.
-
Тестирование: После сборки стоит проверить работу нового устройства. Включите ключ и убедитесь, что все функции работают без перебоев. Если возникают неполадки, проверьте правильность подключения проводов и отсутствие замыкания.
Регулярное обслуживание поможет избежать повторных неисправностей и продлит срок службы нового устройства. При замене всегда выбирайте оригинальные компоненты или качественные аналоги для надежной работы системы.
Советы по устранению распространённых ошибок установки
При подключении проводов стоит уделять внимание цветовой кодировке, чтобы избежать коротких замыканий. Проверьте, что каждый кабель соответствует своему месту назначения. Использование неверных соединений может привести к сбоям в работе системы.
Не забудьте проверить правильность крепления всех элементов. Неплотное соединение может вызвать неполадки. Убедитесь, что все болты и гайки затянуты в соответствии с рекомендациями производителя.
При тестировании системы после установки следует внимательно следить за показателями. Неправильная работа может быть признаком того, что подключение выполнено некачественно. Если наблюдаются сбои, рекомендуется вновь просмотреть схемы подключения.
Избегайте переохлаждения или перегрева при работе с компонентами. Неправильная температура может повлиять на работоспособность. Работайте в умеренном климате, чтобы детали не подвергались лишним термическим изменениям.
Не игнорируйте наличие дополнительных защитных механизмов. Некоторые модели требуют установки предохранителей и реле для предотвращения перегрузок. Убедитесь, что все элементы безопасности присутствуют и функционируют корректно.
Если произошёл сбой, первое, что стоит сделать – проверить питание. Нестабильное напряжение может вызвать перебои в работе. Используйте мультиметр для диагностики уровня напряжения на входах.
При наличии странных звуков или запаха во время работы обязательно отключите систему и проведите диагностику. Игнорирование этих сигналов может привести к серьезным повреждениям. Проверьте целостность проводов и соединений.
Где купить запчасти для устройства зажигания

При поиске комплектующих для системы зажигания вашей машины стоит обратить внимание на несколько проверенных источников:
- Официальные дилеры: Список авторизованных центров можно найти на сайте производителя. Обычно у них широкий выбор оригинальных деталей с гарантией.
- Автозапчасти в интернет-магазинах: Рекомендуются специализированные платформы, такие как Exist.ru, Autodoc.ru и другие. Убедитесь в наличии нужных элементов и читайте отзывы клиентов.
- Местные автомагазины: В радиусе вашего проживания могут находиться магазины, торгующие автомобильными запчастями. Здесь есть возможность получения консультаций от продавцов.
- Разборки автомобилей: Такие места могут предложить более низкие цены на детали. Главное – проверить работоспособность комплектующих перед покупкой.
- Форумы и сообщества автолюбителей: Часто можно найти информацию о продаже комплектующих от других владельцев. Это может быть выгодное решение в плане цены.
Перед покупкой стоит тщательно проверить деталь, попросить документы на нее и, если возможно, согласовать возможность возврата, если она не подойдёт. Не стоит забывать о возможности подобрать аналоги, которые могут быть проще и дешевле в приобретении.
Обратная связь: как избежать проблем после работы с электрической схемой
После проведения работы с электрической схемой важно предпринять меры для предотвращения возможных неисправностей. Соблюдение определённых правил поможет избежать неприятностей в дальнейшем.
Проверка соединений считается первым шагом. Убедитесь, что все клеммы плотно закреплены и не имеют окисления. Часто проблема может заключаться именно в плохом контакте, что приводит к перебоям в работе устройства.
Тестирование системы после рабочего процесса – ключевой этап. Используйте мультиметр для проверки напряжения на выходных точках. Это позволит выявить, присутствует ли электрический сигнал и соответствует ли он номинальным параметрам.
| Проблема | Решение |
|---|---|
| Неправильная работа устройства | Перепроверить все соединения и их качество |
| Отсутствие напряжения | Проверить предохранитель и компрометированные провода |
| Проблемы с запуском | Идентифицировать слаботочные цепи и их исправность |
Документирование внесённых изменений также важно. Запишите все проведённые действия с указанием использованных деталей и схем, чтобы в будущем обратиться к этим данным при необходимости.
Обратная связь с опытными специалистами поможет выявить скрытые недостатки и получить советы. Мнение профессионалов, а также изучение тематических форумов позволит расширить кругозор и избежать распространённых ошибок.







