Военный грузовик, известный благодаря своей надежности и универсальности, часто сталкивается с рядом характеристик, которые требуют внимания и профессионального подхода. Отклонения в работе силового агрегата могут приводить к различным последствиям, затрагивающим как двигатель, так и общие эксплуатационные параметры транспортного средства. Основными аспектами, на которые стоит обратить внимание, являются стабильность работы, плавность хода и мощностные показатели.
Одной из причин нестабильности работы силового агрегата может стать недостаточное или чрезмерное количество топлива в системе, что приводит к ухудшению сгорания. Направленные калибровки системы подачи помогут наладить эту важнейшую функцию. Важно следить за состоянием фильтров, так как забитые элементы могут снижать производительность и приводить к перегреву.
Не стоит забывать и о техническом состоянии трансмиссии. Износ узлов и механизмов, своевременное обслуживание и замена расходных материалов позволяют значительно повысить общий уровень надёжности. Проверка свечей зажигания и их замена при необходимости также играют непреложную роль в поддержании работоспособности, так как они напрямую влияют на воспламенение топливной смеси.
Неисправности дроссельной заслонки

Загрязнение заслонки приводит к нарушению подачи воздуха. Частички пыли и нагар могут накапливаться на поверхности заслонки. Рекомендуется регулярно очищать её, используя специальные средства для очистки карбюраторов. Процесс должен проводиться аккуратно, чтобы не повредить защитные элементы.
Механические повреждения могут произойти из-за износа или аварий. Потрескавшаяся или деформированная заслонка требует замены. Перед установкой нового элемента удостоверитесь, что все остальные компоненты системы в исправном состоянии, чтобы избежать повторных проблем.
Сбои в системе управления могут быть связаны с неисправными датчиками, проводкой или центральным блоком управления. Для диагностики необходимо использовать компьютерную диагностику, что позволяет оперативно выявить ошибки. При необходимости замените неисправные датчики или проводку.
Регулярная профилактика и уход за дроссельной заслонкой механизмов значительно повысят надёжность работы и продлят срок службы автомобиля. Обращайте внимание на изменения в характеристиках работы, чтобы предотвратить более серьёзные поломки в будущем.
Система зажигания
Напряжение искры также является критическим фактором. Если оно недостаточно, возникает риск нестабильной работы. Проверка состояния свечей зажигания должна стать регулярной практикой. Изношенные или загрязненные свечи следует заменять. Оптимальный зазор между электродами составляет 0.7-0.9 мм.
Не менее важным является анализ High Voltage провода. Износ или повреждение изоляции ведет к утечкам тока. При обнаружении признаков износа необходимо менять провода. Кроме того, стоит убедиться, что катушка зажигания работает исправно. Измеряйте сопротивление и при необходимости проводите замену.
| Параметр | Нормальное значение | Рекомендации |
|---|---|---|
| Сопротивление котушки | 0.8-1.0 Ом | Проверять каждые 10 000 км |
| Зазор свечей | 0.7-0.9 мм | Регулировать при замене |
| Изоляция проводов | Целостная | Осмотреть на наличие повреждений |
Состояние земляного контура также не следует игнорировать. Плохой контакт может вызвать нестабильность работы системы. Следует регулярно проверять соединение и чистить контакты от коррозии.
Недостаточное давление топлива
Падение давления топлива может вызвать множество неприятностей в работе автомобиля. Основные причины этого явления часто заключаются в неисправностях системы подачи горючего, например, в засоре фильтра или снижении производительности насоса.
Фильтр отвечает за очистку топлива, и его забивание может существенно повлиять на поток. Регулярная замена фильтра позволит избежать подобных ситуаций. Рекомендуется проверять состояние элемента каждые 5-10 тысяч километров пробега.
Топливный насос играет ключевую роль в поддержании необходимого давления. Если насос работает со сбоями или ослабил мощность, это может привести к недостаточной подаче горючего. Проверка насоса с помощью манометра поможет точно определить давление на выходе. Если оно ниже нормы, стоит задуматься о замене агрегата.
Топливопроводы также могут стать причиной низкого давления. При наличии повреждений или утечек в шлангах, поток топлива нарушается. Рекомендуется тщательно осмотреть все соединения и трубки, чтобы исключить возможность появления трещин или других дефектов.
Также существует риск накопления отложений внутри баке. Регулярная промывка топливной системы и использование качественного горючего снизит вероятность возникновения отложений, которые могут создать препятствия для нормального тока топлива.
Не стоит забывать о датчиках уровня и давления. Если они неисправны, то могут привести к неправильным показаниям, что также скажется на работе системы. Проверка и замена датчиков — важный момент для диагностики.
Подводя итог, регулярное техническое обслуживание и внимательное отношение к состоянию системы подачи топлива помогут поддерживать оптимальные параметры и избежать неприятностей на дороге.
Протечки во впускном тракте
Проверка герметичности необходимо проводить при помощи визуального осмотра и прослушивания на предмет возможных свистов воздуха. Важным шагом является использование мыльного раствора, который поможет выявить мелкие трещины или неплотности в местах стыков.
Регулярная замена уплотнителей и использовать качественные детали – надежный способ минимизировать риск появления воздушных пробоев. Уплотнительные кольца и прокладки должны соответствовать спецификациям устройства. Замену осуществляют при каждой плановой профилактике.
Использование специализированных герметиков при обработке соединительных элементов может значительно повысить надежность соединений. Эти составы способны заполнить мелкие щели и обеспечивают отличную изоляцию.
Мониторинг состояния впускного тракта также включает в себя периодическую чистку от нагара и загрязнений. Это позволит предотвратить избыточное накопление отложений на стенках, которые могут привести к ухудшению качества воздуха, поступающего в камеру сгорания.
Совместные действия по проведению проверок, применению герметиков и своевременной замене уплотнителей способствует улучшению работы агрегата и увеличивает срок службы автомобиля.
Качественные характеристики масла

Выбор масла для работы механизма требует учета ряда характеристик. Во-первых, следует обратить внимание на вязкость. Для большинства моделей рекомендуется применять масла с вязкостью 15W-40 или 20W-50. Эти показатели обеспечивают стабильную работу при различных температурных режимах.
Синтетические масла обладают более высокой защитной эффективностью по сравнению с минеральными. Они обеспечивают лучшую текучесть при низких температурах и стойкость к окислению. При этом синтетика способствует снижению износа деталей и улучшает общую производительность.
Не менее важны и моющие свойства. Масла с высокими моющими добавками предотвращают образование отложений на картере и других поверхностях. Это влияет на долговечность системы и уменьшает риск засоров.
Антифрикционные добавки способствуют снижению трения между движущимися частями. Это приводит к уменьшению тепловыделения и, как следствие, к повышению надежности. Обращайте внимание на маркировку, указывающую наличие таких добавок.
Способы тестирования масел также важны. Сертификаты API и ACEA гарантируют соответствие продуктам определённым стандартам. Выбирайте масла с высшим классом допуска, что обеспечивает оптимальные эксплуатационные характеристики и долговечность.
Оценивайте не только цену, но и репутацию производителя. Известные бренды, как правило, предлагают высококачественные продукты, проверенные практикой. Изучение отзывов автолюбителей может помочь выбрать подходящее решение.
Загрязнение воздушного фильтра
Состояние воздушного фильтра напрямую влияет на работу силового агрегата и его производительность. Загрязненный фильтр снижает доступ кислорода, что приводит к ухудшению сгорания топливной смеси и росту расхода горючего.
Основные причины загрязнения:
- Попадание пыли и грязи во время эксплуатации автомобиля в сложных условиях.
- Отсутствие регулярной замены фильтров.
- Неправильная установка, нарушающая герметичность.
Сигналы о необходимости проверки воздушного фильтра:
- Увеличение расхода топлива.
- Снижение динамических характеристик.
- Неравномерная работа силового агрегата на холостом ходу.
Рекомендации для предупреждения загрязнения:
- Регулярно проверяйте и очищайте фильтр в соответствии с графиком обслуживания.
- При замене учитывайте качество комплектующих, предпочтение стоит отдать оригинальным запчастям.
- Избегайте эксплуатации в условиях высокой запыленности без защитных средств.
Очистка может осуществляться при помощи сжатого воздуха или специальных чистящих средств. Однако при значительном загрязнении лучше выполнить замену на новый элемент, чтобы не рисковать качеством работы всего механизма.
Износ поршневой группы
Износ поршневой группы часто приводит к снижению компрессии и увеличению расхода топлива. Оценка состояния поршней, колец и цилиндров должна проводиться при каждых регламентных работах. Особое внимание стоит обратить на изменение геометрии поршней и наличие задиров на стенках цилиндров.
Сигналом о начале износа могут служить посторонние звуки при работе мотора, увеличение массы выбросов и неравномерная работа под нагрузкой. Мониторинг давления в системе также поможет выявить нестабильность работы поршневой группы. Рекомендуется не реже одного раза в год измерять компрессию в каждом цилиндре с помощью манометра.
Замена поршней и колец должна проводиться при обнаружении значительного износа. Использование качественных комплектующих поможет улучшить надежность и продлить срок службы узла. Бумажки и инструкции от производителя содержат важную информацию о необходимом крутящем моменте при установке. Не стоит пренебрегать рекомендациями по выбору масла, так как оно значительно влияет на скорость износа деталей.
Лучшей практикой будет регулярная замена масла в моторе и фильтров, чтобы минимизировать инсоляцию и отложения на деталях. Система охлаждения также должна быть в исправном состоянии, так как перегрев приводит к быстрому износу поршневой группы. Пополнение уровня охлаждающей жидкости и проверки целостности патрубков помогут избежать перегрева.
Следует учитывать правильность регулировки зазоров в клапанном механизме, так как этот фактор также воздействует на устойчивую работу поршней. Регулярные проверки и профилактическое обслуживание помогут сохранить работоспособность поршневой группы на должном уровне.
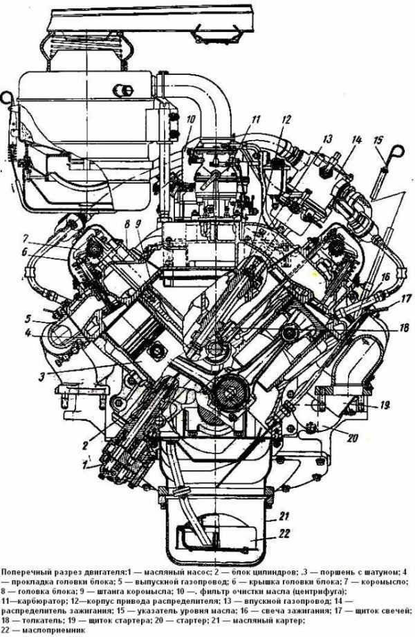
Карбюратор
Карбюратор на классическом автомобиле может быть источником различных затруднений, которые негативно сказываются на работе машины. Распространённые недостатки связаны с настройкой и состоянием узлов данного устройства.
Вот некоторые частые неисправности и способы их устранения:
-
Неравномерная работа на холостом ходу:
Это может быть вызвано загрязнением жиклёров. Рекомендуется провести их очистку, используя специализированные очистители. Важно также проверить состояние прокладок для предотвращения подсоса воздуха.
-
Перебои в подаче топлива:
Причиной может быть недостаточное давление в насосе. Проверьте его работоспособность и убедитесь в отсутствии засоров в топливной системе. Также целесообразно проверить фильтры на загрязнённость.
-
Чёрный дым из выхлопной трубы:
Избыток топлива в смеси может указывать на засорение иглы поплавковой камеры. В этом случае потребуется её очистка или замена.
-
Проблемы с запуском:
Неисправности в системе притока воздуха – причина трудностей с запуском. Проверьте герметичность всех соединений и состояние воздушной заслонки.
Регулярная профилактика и осмотр карбюратора помогут избежать многих из вышеуказанных неисправностей. Поддерживайте чистоту элементов, проводите проверки на наличие износа и своевременно заменяйте изнашивающиеся детали.
Неисправности системы охлаждения
Гарантия надежной работы силового агрегата во многом зависит от системы охлаждения. Неполадки в этом элементе могут вызывать перегрев и, как следствие, серьезные повреждения. Основные причины неисправностей в системе охлаждения включают утечки охлаждающей жидкости, неисправности термостата, забитые радиаторы и неисправные насосы.
Утечки жидкости могут возникать из-за износа или повреждения шлангов, соединений и радиатора. Для диагностики рекомендуется тщательно осмотреть весь контур на наличие следов жидкости. В случае обнаружения утечки, необходимо заменить поврежденные элементы и проверить уровень охлаждающей жидкости.
Термостат отвечает за поддержание оптимальной температуры. Если он заедает в закрытом положении, происходит перегрев. Чтобы проверить его работоспособность, можно поместить термостат в горячую воду. При нагреве до необходимой температуры он должен открываться. Если этого не происходит, требуется замена.
Забитый радиатор влияет на циркуляцию жидкости, что также может приводить к перегреву. Регулярная профилактика включает промывку радиатора специальными растворами. Если забитие серьезное, возможно, потребуется его замена.
Работа насоса влияет на движение охлаждающей жидкости. Если слышен нежелательный шум или наблюдаются потеки под насосом, это может указывать на необходимость его проверки или замены. Важно убедиться, что все соединения крепкие и не пропускают жидкость.
Для предотвращения проблем рекомендуется регулярно проверять и обслуживать систему охлаждения, заменять охлаждающую жидкость по графику, а также следить за состоянием всех компонентов. Ежегодная диагностика поможет выявить неисправности на ранних стадиях и избежать крупных затрат на ремонт.
Диагностика и исправление электроники
Электронные системы автомобиля требуют внимательного подхода для диагностики неисправностей. Начните с проверки аккумулятора – его напряжение должно составлять около 12.6 В в состоянии покоя. Если значение ниже 12.4 В, стоит рассмотреть возможность его замены или подзарядки.
Следующий шаг – осмотр предохранителей. Неправильная работа системы может быть вызвана перегоревшими элементами. Проверьте каждый предохранитель на предмет повреждений и замените при необходимости.
Рекомендуется также оценить состояние проводки. Исследуйте кабели на наличие повреждений, коррозии или плохих соединений. Изношенные жгуты следует изолировать или заменить. Обратите внимание на места соединений, так как именно здесь часто возникают проблемы.
Если автомобиль оборудован системой контроля, проведите диагностику с помощью специализированного оборудования. Чтение ошибок через OBD-сканер даст представление о состоянии всех систем. При этом важно интерпретировать коды, так как они могут указать на конкретные неисправности.
Очистка контактов в разъёмах тоже играет немаловажную роль. Состояние контактов может значительно влиять на функционирование электронных компонентов. Используйте специальные очистители для удаления окислов и загрязнений.
Проверка генератора включает в себя тестирование выходного напряжения. Оно должно находиться в диапазоне 13.8–14.5 В при работающем двигателе. Если значение ниже или выше, возможно, потребуется замена самого генератора или регулятора напряжения.
Наконец, рекомендуется обновить программное обеспечение электронных блоков управления (ЭБУ). Современные версии могут содержать исправления ошибок, которые ненадежно работали в предыдущих релизах. Обновление должно проводиться при наличии специализированного оборудования и программ.







